Главная > Подшипники> Шариковые> Радиально-упорные>HAR013C

HAR013C — Радиально-упорный шарикоподшипник, импортное производство по ISO стандарту, размер 65x100x18 номер основного исполнения HAR013.
Производитель: KOYO.
С = Необслуживаемые концы стержней, внутренняя резьба.
Цена по запросу
Цена на подшипник зависит от:
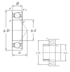
Габаритные размеры
Размеры и геометрические характеристики
Нагрузка и ресурс
Защита
Коэффициенты для расчета
Присоединительные размеры
Конструкция и исполнение
Однорядный цилиндрический роликовый подшипник NU1013 (CX, CYSD, FBJ, ISB, ISO)
Подшипник однорядный шариковый радиальный 6013 (FAG, NIS)
Подшипник шариковый однорядный радиально-упорный HS7013 E.T.P4S.UL (FAG)
Однорядный цилиндрический роликовый подшипник NU1013 M (NKE)
Однорядный цилиндрический роликовый подшипник NU1013 M1 (FAG, NKE)