Главная > Подшипники> Роликовые > Радиально-упорные>H917840/H917840

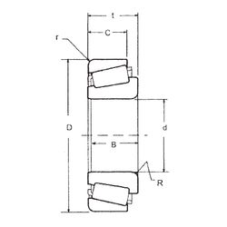
H917840/H917840 — Подшипник роликовый радиально-упорный, импортное производство по ISO стандарту, размер 76x180x53 номер основного исполнения .
Производитель: FBJ.
H = высокая, узкая каретка для двухрядного шарикоподшипника и направляющей в сборе.
Цена от:58 393 р.
Цена на подшипник зависит от:
Габаритные размеры
Размеры и геометрические характеристики
Нагрузка и ресурс
Защита
Конструкция и исполнение
Конический роликоподшипник 4T-H917840/H917810 (NTN)
Подшипник роликовый радиально-упорный H917840/10 (CX, ISO)
Однорядный конический роликовый подшипник H917840/H917810 (TIMKEN)