Главная > Подшипники> Роликовые > Радиально-упорные>H913849R.F/H913810.F

H913849R.F/H913810.F — Однорядный конический роликовый подшипник, импортное производство по ISO стандарту, размер 69x146x41 номер основного исполнения .
Производитель: NACHI.
Механически обработанный сепаратор из стали или чугуна, центрируемый по телам качения.
Цена от:4 555 р.
Цена на подшипник зависит от:
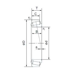
Габаритные размеры
Размеры и геометрические характеристики
Нагрузка и ресурс
Защита
Коэффициенты для расчета
Присоединительные размеры
Конструкция и исполнение
Конический роликоподшипник 4T-655/653 (NTN)
Однорядный конический роликовый подшипник 4T-H913849/H913810 (NTN)
Однорядный конический роликовый подшипник 655/653 (CX, FBJ, ISO, KOYO, NACHI)
Однорядный конический роликовый подшипник H913849/H913810 (Fersa, KBC, NIS, NSK, TIMKEN)
Подшипник роликовый радиально-упорный H913849/10 (CX, ISO)
Конический роликоподшипник KH913849-H913810 (FAG)