Главная > Подшипники> Роликовые > Радиально-упорные>H913842R/H913810

H913842R/H913810 — Подшипник роликовый радиально-упорный, импортное производство по ISO стандарту, размер 61x319x39 номер основного исполнения .
Производитель: KOYO.
H = высокая, узкая каретка для двухрядного шарикоподшипника и направляющей в сборе.
Цена от:5 856 р.
Цена на подшипник зависит от:
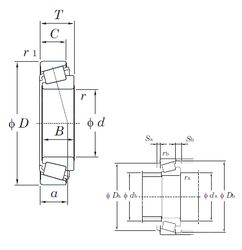
Габаритные размеры
Размеры и геометрические характеристики
Нагрузка и ресурс
Защита
Коэффициенты для расчета
Присоединительные размеры
Конструкция и исполнение