Главная > Подшипники> Роликовые > Радиально-упорные>H715344/H715311

H715344/H715311 — Однорядный конический роликовый подшипник, импортное производство по ISO стандарту, размер 69x319x46 номер основного исполнения .
Производитель: KOYO.
H = высокая, узкая каретка для двухрядного шарикоподшипника и направляющей в сборе.
Цена по запросу
Цена на подшипник зависит от:
Габаритные размеры
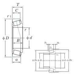
Размеры и геометрические характеристики
Нагрузка и ресурс
Защита
Коэффициенты для расчета
Присоединительные размеры
Конструкция и исполнение