Главная > Подшипники> Роликовые > Радиально-упорные>H715334/H715311

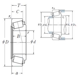
H715334/H715311 — Однорядный конический роликовый подшипник, импортное производство по ISO стандарту, размер 61x136x46 номер основного исполнения .
Производится брендами: FBJ, Fersa, NIS, NSK, TIMKEN.
H = высокая, узкая каретка для двухрядного шарикоподшипника и направляющей в сборе.
Цена по запросу
Цена на подшипник зависит от:
Габаритные размеры
Размеры и геометрические характеристики
Нагрузка и ресурс
Защита
Коэффициенты для расчета
Присоединительные размеры
Конструкция и исполнение
Прочие характеристики
Конический роликоподшипник 4T-H715334/H715311 (NTN)
Подшипник роликовый радиально-упорный H715334/11 (CX, ISO)