Главная > Подшипники> Роликовые > Радиально-упорные>H715332/H715311

H715332/H715311 — Однорядный конический роликовый подшипник, импортное производство по ISO стандарту, размер 60x136x46 номер основного исполнения .
Производится брендами: Fersa, KOYO, NACHI, TIMKEN.
H = высокая, узкая каретка для двухрядного шарикоподшипника и направляющей в сборе.
Цена от:12 445 р.
Цена на подшипник зависит от:
Габаритные размеры
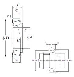
Размеры и геометрические характеристики
Нагрузка и ресурс
Защита
Коэффициенты для расчета
Присоединительные размеры
Конструкция и исполнение
Однорядный конический роликовый подшипник 65237/65537 (TIMKEN)
Подшипник роликовый радиально-упорный H715332/11 (CX, ISO)