Главная > Подшипники> Роликовые > Радиально-упорные>H432549D/H432510+H432510EA

H432549D/H432510+H432510EA — Конический роликоподшипник, импортное производство по ISO стандарту, размер 155x247x122 номер основного исполнения .
Производитель: TIMKEN.
D = профиль наружного кольца, усовершенствованный, с увеличенной зоной несущей нагрузки и оптимизированными краевыми переходами.
Цена по запросу
Цена на подшипник зависит от:
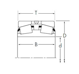
Габаритные размеры
Размеры и геометрические характеристики
Защита
Конструкция и исполнение