Главная > Подшипники> Роликовые > Радиально-упорные>H247549D/H247510+H247510EA

H247549D/H247510+H247510EA — Конический роликоподшипник, импортное производство по ISO стандарту, размер 234x384x209 номер основного исполнения .
Производитель: TIMKEN.
D = профиль наружного кольца, усовершенствованный, с увеличенной зоной несущей нагрузки и оптимизированными краевыми переходами.
Цена по запросу
Цена на подшипник зависит от:
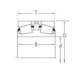
Габаритные размеры
Размеры и геометрические характеристики
Защита
Конструкция и исполнение