Главная > Подшипники> Роликовые > Радиально-упорные>H242649D/H242610+H242610EA

H242649D/H242610+H242610EA — Конический роликоподшипник, импортное производство по ISO стандарту, размер 206x336x180 номер основного исполнения .
Производитель: TIMKEN.
D = профиль наружного кольца, усовершенствованный, с увеличенной зоной несущей нагрузки и оптимизированными краевыми переходами.
Цена по запросу
Цена на подшипник зависит от:
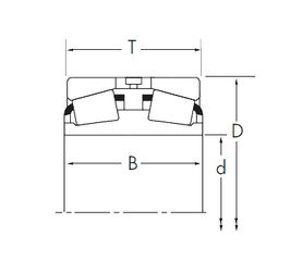
Габаритные размеры
Размеры и геометрические характеристики
Защита
Конструкция и исполнение