Главная > Подшипники> Роликовые > Радиально-упорные>H239649D/H239612+H239612EE

H239649D/H239612+H239612EE — Конический роликоподшипник, импортное производство по ISO стандарту, размер 187x320x168 номер основного исполнения .
Производитель: TIMKEN.
D = профиль наружного кольца, усовершенствованный, с увеличенной зоной несущей нагрузки и оптимизированными краевыми переходами.
Цена по запросу
Цена на подшипник зависит от:
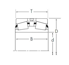
Габаритные размеры
Размеры и геометрические характеристики
Защита
Конструкция и исполнение