Главная > Подшипники> Роликовые > Радиально-упорные>H-LM501349/H-LM501314

H-LM501349/H-LM501314 — Конический роликоподшипник, импортное производство по ISO стандарту, размер 41x73x21 номер основного исполнения .
Производитель: NACHI.
H = высокая, узкая каретка для двухрядного шарикоподшипника и направляющей в сборе.
Цена по запросу
Цена на подшипник зависит от:
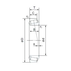
Габаритные размеры
Размеры и геометрические характеристики
Нагрузка и ресурс
Защита
Коэффициенты для расчета
Присоединительные размеры
Конструкция и исполнение
Конический роликоподшипник 4T-LM501349/LM501314 (NTN)
Однорядный конический роликовый подшипник EC42217S01H206 (SNR)
Конический роликоподшипник EC42217S02H206 (SNR)
Однорядный конический роликовый подшипник KLM501349-LM501314 (FAG)
Подшипник роликовый радиально-упорный LM501349/14 (CX, ISO, PFI)
Однорядный конический роликовый подшипник LM501349/LM501314 (AST, FBJ, Fersa, KOYO, NIS)