Главная > Подшипники> Роликовые > Радиально-упорные>H-LM29748/H-LM29710

H-LM29748/H-LM29710 — Конический роликоподшипник, импортное производство по ISO стандарту, размер 38x65x18 номер основного исполнения .
Производитель: NACHI.
H = высокая, узкая каретка для двухрядного шарикоподшипника и направляющей в сборе.
Цена по запросу
Цена на подшипник зависит от:
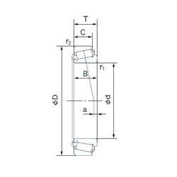
Габаритные размеры
Размеры и геометрические характеристики
Нагрузка и ресурс
Защита
Коэффициенты для расчета
Присоединительные размеры
Конструкция и исполнение
Конический роликоподшипник 38KW01 (NSK)
Однорядный конический роликовый подшипник 38KW01Cg5 (KBC)
Конический роликоподшипник 38KW01CG (NSK)
Конический роликоподшипник 4T-LM29748L/LM29710 (NTN)
Конический роликоподшипник 4T-LM29748/LM29710 (NTN)
Однорядный конический роликовый подшипник 4T-LM29749/LM29710 (NTN)