Главная > Подшипники> Роликовые > Радиально-упорные>H-LM12749/H-LM12711

H-LM12749/H-LM12711 — Конический роликоподшипник, импортное производство по ISO стандарту, размер 22x45x15 номер основного исполнения .
Производитель: NACHI.
H = высокая, узкая каретка для двухрядного шарикоподшипника и направляющей в сборе.
Цена по запросу
Цена на подшипник зависит от:
Габаритные размеры
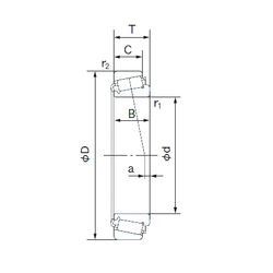
Размеры и геометрические характеристики
Нагрузка и ресурс
Защита
Коэффициенты для расчета
Присоединительные размеры
Конструкция и исполнение
Конический роликоподшипник H-LM12749/H-LM12710 (NACHI)
Однорядный конический роликовый подшипник LM12749/LM12710 (AST, Fersa, KBC, NACHI, NIS)