Главная > Подшипники> Роликовые > Радиально-упорные>H-2789R/H-2720

H-2789R/H-2720 — Конический роликоподшипник, импортное производство по ISO стандарту, размер 39x76x23 номер основного исполнения .
Производитель: NACHI.
H = высокая, узкая каретка для двухрядного шарикоподшипника и направляющей в сборе.
Цена от:557 р.
Цена на подшипник зависит от:
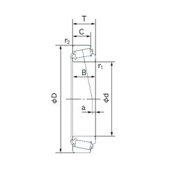
Габаритные размеры
Размеры и геометрические характеристики
Нагрузка и ресурс
Защита
Коэффициенты для расчета
Присоединительные размеры
Конструкция и исполнение
Однорядный конический роликовый подшипник 2789/2720 (CX, FBJ, ISO, NIS, NSK)
Однорядный конический роликовый подшипник 2789/2729 (Fersa, TIMKEN)
Конический роликоподшипник 4T-2789/2720 (NTN)