Главная > Подшипники> Роликовые > Радиально-упорные>H-25590/H-25523

H-25590/H-25523 — Конический роликоподшипник, импортное производство по ISO стандарту, размер 45x82x26 номер основного исполнения .
Производитель: NACHI.
H = высокая, узкая каретка для двухрядного шарикоподшипника и направляющей в сборе.
Цена от:515 р.
Цена на подшипник зависит от:
Габаритные размеры
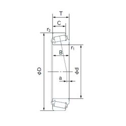
Размеры и геометрические характеристики
Нагрузка и ресурс
Защита
Коэффициенты для расчета
Присоединительные размеры
Конструкция и исполнение
Однорядный конический роликовый подшипник 25590/25523 (AST, CX, FBJ, Fersa, ISB)
Конический роликоподшипник 25590/23 (PFI)
Однорядный конический роликовый подшипник 4T-25590/25523 (NTN)