Главная > Подшипники> Роликовые > Радиально-упорные>H-15123/H-15245

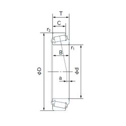
H-15123/H-15245 — Конический роликоподшипник, импортное производство по ISO стандарту, размер 85x61x19 номер основного исполнения .
Производитель: NACHI.
H = высокая, узкая каретка для двухрядного шарикоподшипника и направляющей в сборе.
Цена по запросу
Цена на подшипник зависит от:
Габаритные размеры
Размеры и геометрические характеристики
Нагрузка и ресурс
Защита
Коэффициенты для расчета
Присоединительные размеры
Конструкция и исполнение