Главная > Подшипники> Роликовые > Радиально-упорные>H-14131/H-14276

H-14131/H-14276 — Конический роликоподшипник, импортное производство по ISO стандарту, размер 33x69x19 номер основного исполнения .
Производитель: NACHI.
H = высокая, узкая каретка для двухрядного шарикоподшипника и направляющей в сборе.
Цена от:380 р.
Цена на подшипник зависит от:
Габаритные размеры
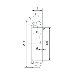
Размеры и геометрические характеристики
Нагрузка и ресурс
Защита
Коэффициенты для расчета
Присоединительные размеры
Конструкция и исполнение
Однорядный конический роликовый подшипник 14130/14274 (CX, Fersa, ISO, NACHI, NIS)
Однорядный конический роликовый подшипник 14130/14276 (CX, FBJ, Fersa, ISO, NACHI)
Однорядный конический роликовый подшипник 14131/14276 (CX, FBJ, Fersa, ISB, ISO)
Однорядный конический роликовый подшипник 14130/14276-B (TIMKEN)
Однорядный конический роликовый подшипник 14131/14274 (Fersa, TIMKEN)
Подшипник роликовый радиально-упорный 14131/14274A (KOYO)