Главная > Подшипники> Шариковые> Радиальные>GYM1115KRRB

GYM1115KRRB — Радиальный шарикоподшипник, импортное производство по ISO стандарту, размер 49x100x55 номер основного исполнения .
Производитель: TIMKEN.
KRR = Манжетные уплотнения на обеих сторонах (тип R - имеет цинковую внутреннюю и внешнюю крышку. Между крышками на поверхности основания находится губка уплотнения NBR). B = подшипник со сферическим наружным кольцом.
Цена по запросу
Цена на подшипник зависит от:
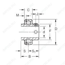
Габаритные размеры
Размеры и геометрические характеристики
Нагрузка и ресурс
Защита
Присоединительные размеры
Конструкция и исполнение
Другие размеры
Подшипник для корпуса UCX10-31 (FYH, KOYO)
Радиальный шарикоподшипник UCX10-31L3 (KOYO)