Главная > Подшипники> Шариковые> Радиальные>GYM1103KRRB

GYM1103KRRB — Радиальный шарикоподшипник, импортное производство по ISO стандарту, размер 30x72x42 номер основного исполнения .
Производитель: TIMKEN.
KRR = Манжетные уплотнения на обеих сторонах (тип R - имеет цинковую внутреннюю и внешнюю крышку. Между крышками на поверхности основания находится губка уплотнения NBR). B = подшипник со сферическим наружным кольцом.
Цена по запросу
Цена на подшипник зависит от:
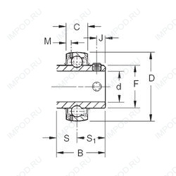
Габаритные размеры
Размеры и геометрические характеристики
Нагрузка и ресурс
Защита
Присоединительные размеры
Конструкция и исполнение
Другие размеры
Радиальный шарикоподшипник SUCX06 (ZEN)
Подшипник для корпуса UCX06 (CX, FYH, ISO, KOYO, NACHI)
Радиальный шарикоподшипник UCX06-19L3 (KOYO)
Подшипник для корпуса UCX06-19 (FYH, KOYO)
Радиальный шарикоподшипник UCX06L3 (KOYO)