Главная > Подшипники> Шариковые> Радиальные>GYE75-KRR-B

GYE75-KRR-B — Подшипник для корпуса, импортное производство по ISO стандарту, размер 75x130x77 номер основного исполнения .
Производится брендами: INA, NKE, TIMKEN.
KRR = Манжетные уплотнения на обеих сторонах (тип R - имеет цинковую внутреннюю и внешнюю крышку. Между крышками на поверхности основания находится губка уплотнения NBR). B = подшипник со сферическим наружным кольцом.
Цена от:3 631 р.
Цена на подшипник зависит от:
Габаритные размеры
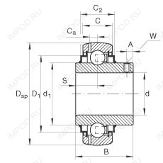
Размеры и геометрические характеристики
Нагрузка и ресурс
Защита
Присоединительные размеры
Конструкция и исполнение
Другие размеры
Прочие характеристики
Подшипник для корпуса UC215 (CRAFT, CX, FYH, ISO, KOYO)
Подшипник для корпуса UC215G2 (SNR)
Радиальный шарикоподшипник UC215L3 (KOYO)
Подшипник для корпуса UC215D1 (NTN)
Радиальный шарикоподшипник UCS215D1 (NTN)