Главная > Подшипники> Шариковые> Радиальные>GYE35KRRB SGT

GYE35KRRB SGT — Радиальный шарикоподшипник, импортное производство по ISO стандарту, размер 35x72x42 номер основного исполнения .
Производитель: TIMKEN.
KRR = Манжетные уплотнения на обеих сторонах (тип R уплотнение - имеет внутреннюю и внешнюю оцинкованную крышку. Между крышками на грунтовом плече установлена губка уплотнения NBR). B = подшипник со сферическим наружным кольцом. S = цилиндрическое наружное кольцо.
Цена от:462 р.
Цена на подшипник зависит от:
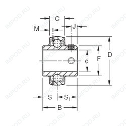
Габаритные размеры
Размеры и геометрические характеристики
Нагрузка и ресурс
Защита
Присоединительные размеры
Конструкция и исполнение
Другие размеры
Подшипник шариковый радиальный 480207
Подшипник шариковый радиальный 480207(UCF)
Подшипник шариковый радиальный 480207 НУС 17
Подшипник шариковый радиальный 480207К
Подшипник шариковый радиальный 480207 Н1К7У (ГПЗ-23)
Подшипник шариковый радиальный 480207.UCF В КОРПУСЕ