Главная > Подшипники> Шариковые> Радиальные>GY1203KRRB

GY1203KRRB — Подшипник для корпуса, импортное производство по ISO стандарту, размер 55x100x55 номер основного исполнения .
Производитель: TIMKEN.
KRR = Манжетные уплотнения на обеих сторонах (тип R - имеет цинковую внутреннюю и внешнюю крышку. Между крышками на поверхности основания находится губка уплотнения NBR). B = подшипник со сферическим наружным кольцом.
Цена по запросу
Цена на подшипник зависит от:
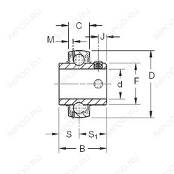
Габаритные размеры
Размеры и геометрические характеристики
Нагрузка и ресурс
Защита
Присоединительные размеры
Конструкция и исполнение
Другие размеры
Подшипник шариковый радиальный 480211
Подшипник шариковый радиальный 480211К
Радиальный шарикоподшипник 1203KLLB (TIMKEN)
Радиальный шарикоподшипник 1203KRR (TIMKEN)
Радиальный шарикоподшипник 1203KL (TIMKEN)
Радиальный шарикоподшипник 1203KLL (TIMKEN)