Главная > Подшипники> Шариковые> Радиальные>GY1200-KRR-B-AS2/V

GY1200-KRR-B-AS2/V — Подшипник для корпуса, импортное производство по ISO стандарту, размер 50x100x55 номер основного исполнения .
Производитель: INA.
KRR = Манжетные уплотнения на обеих сторонах (тип R - имеет цинковую внутреннюю и внешнюю крышку. Между крышками на поверхности основания находится губка уплотнения NBR). B = подшипник со сферическим наружным кольцом.
Цена по запросу
Цена на подшипник зависит от:
Габаритные размеры
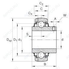
Размеры и геометрические характеристики
Нагрузка и ресурс
Защита
Конструкция и исполнение
Прочие характеристики
Радиальный шарикоподшипник 1200KLB (TIMKEN)
Радиальный шарикоподшипник 1200KL (TIMKEN)
Радиальный шарикоподшипник 1200KRR (TIMKEN)
Радиальный шарикоподшипник 1200KLLB (TIMKEN)
Радиальный шарикоподшипник 1200KR (TIMKEN)
Радиальный шарикоподшипник 1200KLL (TIMKEN)