Главная > Подшипники> Шариковые> Радиальные>GY1115KRRB SGT

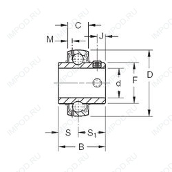
GY1115KRRB SGT — Подшипник для корпуса, импортное производство по ISO стандарту, размер 49x90x51 номер основного исполнения .
Производитель: TIMKEN.
KRR = Манжетные уплотнения на обеих сторонах (тип R уплотнение - имеет внутреннюю и внешнюю оцинкованную крышку. Между крышками на грунтовом плече установлена губка уплотнения NBR). B = подшипник со сферическим наружным кольцом. S = цилиндрическое наружное кольцо.
Цена по запросу
Цена на подшипник зависит от:
Габаритные размеры
Размеры и геометрические характеристики
Нагрузка и ресурс
Защита
Присоединительные размеры
Конструкция и исполнение
Другие размеры
Подшипник для корпуса ER210-31 (FYH, KOYO)
Подшипник для корпуса ER31 (TIMKEN)
Подшипник шариковый закрепляемый GY1115-KRR-B-AS2/V (INA)
Подшипник для корпуса UC210-31 (FAG, FYH, KOYO, SNR)
Радиальный шарикоподшипник UC210-31L3 (KOYO)
Подшипник для корпуса YAR210-115-2F (SKF)