Главная > Подшипники> Шариковые> Радиальные>GY1110KRRB SGT

GY1110KRRB SGT — Радиальный шарикоподшипник, импортное производство по ISO стандарту, размер 41x85x49 номер основного исполнения .
Производитель: TIMKEN.
KRR = Манжетные уплотнения на обеих сторонах (тип R уплотнение - имеет внутреннюю и внешнюю оцинкованную крышку. Между крышками на грунтовом плече установлена губка уплотнения NBR). B = подшипник со сферическим наружным кольцом. S = цилиндрическое наружное кольцо.
Цена по запросу
Цена на подшипник зависит от:
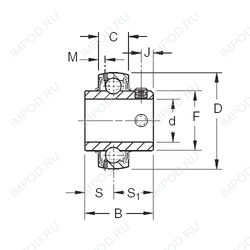
Габаритные размеры
Размеры и геометрические характеристики
Нагрузка и ресурс
Защита
Присоединительные размеры
Конструкция и исполнение
Другие размеры
Подшипник для корпуса ER209-26 (FYH, KOYO)
Радиальный шарикоподшипник UC209-26L3 (KOYO)