Главная > Подшипники> Шариковые> Радиальные>GY1106-KRR-B-AS2/V

GY1106-KRR-B-AS2/V — Подшипник для корпуса, импортное производство по ISO стандарту, размер 34x72x42 номер основного исполнения .
Производитель: INA.
KRR = Манжетные уплотнения на обеих сторонах (тип R - имеет цинковую внутреннюю и внешнюю крышку. Между крышками на поверхности основания находится губка уплотнения NBR). B = подшипник со сферическим наружным кольцом.
Цена по запросу
Цена на подшипник зависит от:
Габаритные размеры
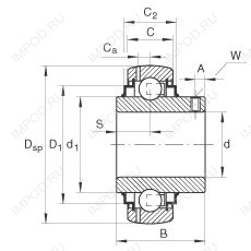
Размеры и геометрические характеристики
Нагрузка и ресурс
Защита
Конструкция и исполнение
Прочие характеристики
Подшипник для корпуса ER207-22 (FYH, KOYO)
Подшипник для корпуса ER22 (TIMKEN)
Радиальный шарикоподшипник ER22DD (TIMKEN)
Радиальный шарикоподшипник GY1106KRRB SGT (TIMKEN)
Подшипник для корпуса UC207-22 (FAG, FYH, KOYO, SNR)
Радиальный шарикоподшипник UC207-22L3 (KOYO)