Главная > Подшипники> Шариковые> Радиальные>GY1105KRRB

GY1105KRRB — Радиальный шарикоподшипник, импортное производство по ISO стандарту, размер 33x72x42 номер основного исполнения .
Производитель: TIMKEN.
KRR = Манжетные уплотнения на обеих сторонах (тип R - имеет цинковую внутреннюю и внешнюю крышку. Между крышками на поверхности основания находится губка уплотнения NBR). B = подшипник со сферическим наружным кольцом.
Цена по запросу
Цена на подшипник зависит от:
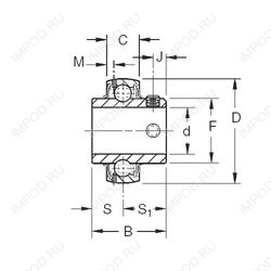
Габаритные размеры
Размеры и геометрические характеристики
Нагрузка и ресурс
Защита
Присоединительные размеры
Конструкция и исполнение
Другие размеры
Радиальный шарикоподшипник E2.YAR207-105-2F (SKF)
Подшипник шариковый радиальный ER207-21 (FYH, KOYO)
Подшипник для корпуса UC207-21 (FAG, FYH, KOYO)
Радиальный шарикоподшипник UC207-21L3 (KOYO)