Главная > Подшипники> Шариковые> Радиальные>GY1103KRRB3

GY1103KRRB3 — Радиальный шарикоподшипник, импортное производство по ISO стандарту, размер 31x62x38 номер основного исполнения .
Производитель: TIMKEN.
KRR = Манжетные уплотнения на обеих сторонах (тип R - имеет цинковую внутреннюю и внешнюю крышку. Между крышками на поверхности основания находится губка уплотнения NBR). B = подшипник со сферическим наружным кольцом.
Цена по запросу
Цена на подшипник зависит от:
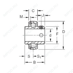
Габаритные размеры
Размеры и геометрические характеристики
Нагрузка и ресурс
Защита
Присоединительные размеры
Конструкция и исполнение
Другие размеры
Радиальный шарикоподшипник E2.YAR206-104-2F (SKF)
Подшипник шариковый радиальный ER206-20 (FYH, KOYO)
Подшипник для корпуса GY1104-206-KRR-B-AS2/V (INA)
Подшипник для корпуса UC206-20 (FAG, FYH, KOYO, SNR)
Радиальный шарикоподшипник UC206-20L2 (KOYO)
Подшипник для корпуса YAR206-104-2F (SKF)