Главная > Подшипники> Шариковые> Радиальные>GY1103KRRB SGT

GY1103KRRB SGT — Радиальный шарикоподшипник, импортное производство по ISO стандарту, размер 30x62x38 номер основного исполнения .
Производитель: TIMKEN.
KRR = Манжетные уплотнения на обеих сторонах (тип R уплотнение - имеет внутреннюю и внешнюю оцинкованную крышку. Между крышками на грунтовом плече установлена губка уплотнения NBR). B = подшипник со сферическим наружным кольцом. S = цилиндрическое наружное кольцо.
Цена по запросу
Цена на подшипник зависит от:
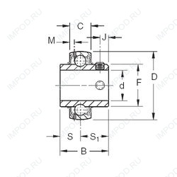
Габаритные размеры
Размеры и геометрические характеристики
Нагрузка и ресурс
Защита
Присоединительные размеры
Конструкция и исполнение
Другие размеры
Подшипник шариковый радиальный 480206
Подшипник шариковый радиальный 480206 Н1К7У (ГПЗ-23)
Подшипник шариковый радиальный 480206К
Подшипник шариковый радиальный 480206(UCP) В КОРПУСЕ
Подшипник шариковый радиальный 480206.UC
Подшипник шариковый радиальный 480206 Н1К7УС17 (ГПЗ-23)