Главная > Подшипники> Шариковые> Радиальные>GY1100KRRB SGT

GY1100KRRB SGT — Подшипник для корпуса, импортное производство по ISO стандарту, размер 25x52x34 номер основного исполнения .
Производитель: TIMKEN.
KRR = Манжетные уплотнения на обеих сторонах (тип R уплотнение - имеет внутреннюю и внешнюю оцинкованную крышку. Между крышками на грунтовом плече установлена губка уплотнения NBR). B = подшипник со сферическим наружным кольцом. S = цилиндрическое наружное кольцо.
Цена по запросу
Цена на подшипник зависит от:
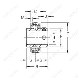
Габаритные размеры
Размеры и геометрические характеристики
Нагрузка и ресурс
Защита
Присоединительные размеры
Конструкция и исполнение
Другие размеры
Подшипник шариковый упорный двойного направления 52305 (CX, FAG, ISB, ISO, KOYO)
Подшипник шариковый радиальный 480205 Н1К7УС17 (ГПЗ-23)
Подшипник шариковый радиальный 480205 Н1К7У (ГПЗ-23)
Подшипник шариковый радиальный 480505 H (ГПЗ-23)
Подшипник шариковый радиальный 480205К
Подшипник шариковый радиальный 480205