Главная > Подшипники> Шариковые> Радиальные>GY1015KRRB SGT

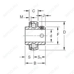
GY1015KRRB SGT — Радиальный шарикоподшипник, импортное производство по ISO стандарту, размер 23x52x34 номер основного исполнения .
Производитель: TIMKEN.
KRR = Манжетные уплотнения на обеих сторонах (тип R уплотнение - имеет внутреннюю и внешнюю оцинкованную крышку. Между крышками на грунтовом плече установлена губка уплотнения NBR). B = подшипник со сферическим наружным кольцом. S = цилиндрическое наружное кольцо.
Цена по запросу
Цена на подшипник зависит от:
Габаритные размеры
Размеры и геометрические характеристики
Нагрузка и ресурс
Защита
Присоединительные размеры
Конструкция и исполнение
Другие размеры
Радиальный шарикоподшипник 1015KR (TIMKEN)
Радиальный шарикоподшипник 1015KRRB (TIMKEN)
Подшипник для корпуса 1015KRR (TIMKEN)
Радиальный шарикоподшипник 1015KLLB (TIMKEN)
Радиальный шарикоподшипник 1015KLL (TIMKEN)
Радиальный шарикоподшипник 1015KL (TIMKEN)