Главная > Подшипники> Шариковые> Радиальные>GY1014KRRB SGT

GY1014KRRB SGT — Подшипник для корпуса, импортное производство по ISO стандарту, размер 22x52x34 номер основного исполнения .
Производитель: TIMKEN.
KRR = Манжетные уплотнения на обеих сторонах (тип R уплотнение - имеет внутреннюю и внешнюю оцинкованную крышку. Между крышками на грунтовом плече установлена губка уплотнения NBR). B = подшипник со сферическим наружным кольцом. S = цилиндрическое наружное кольцо.
Цена по запросу
Цена на подшипник зависит от:
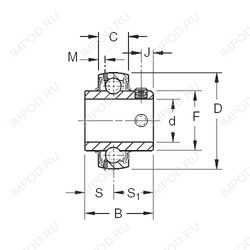
Габаритные размеры
Размеры и геометрические характеристики
Нагрузка и ресурс
Защита
Присоединительные размеры
Конструкция и исполнение
Другие размеры
Радиальный шарикоподшипник 1014KLLB (TIMKEN)
Подшипник для корпуса 1014KRR (TIMKEN)
Радиальный шарикоподшипник 1014KLL (TIMKEN)
Подшипник для корпуса 1014KL (TIMKEN)
Радиальный шарикоподшипник 1014KRRB (TIMKEN)
Радиальный шарикоподшипник E2.YAR205-014-2F (SKF)