Главная > Подшипники> Шариковые> Радиальные>GY1012KRRB SGT

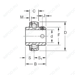
GY1012KRRB SGT — Радиальный шарикоподшипник, импортное производство по ISO стандарту, размер 19x47x30 номер основного исполнения .
Производитель: TIMKEN.
KRR = Манжетные уплотнения на обеих сторонах (тип R уплотнение - имеет внутреннюю и внешнюю оцинкованную крышку. Между крышками на грунтовом плече установлена губка уплотнения NBR). B = подшипник со сферическим наружным кольцом. S = цилиндрическое наружное кольцо.
Цена по запросу
Цена на подшипник зависит от:
Габаритные размеры
Размеры и геометрические характеристики
Нагрузка и ресурс
Защита
Присоединительные размеры
Конструкция и исполнение
Другие размеры
Радиальный шарикоподшипник ER12DD (TIMKEN)
Подшипник для корпуса ER12 (TIMKEN)
Подшипник для корпуса ES204-12 (SNR)
Подшипник для корпуса GC1012KRRB (TIMKEN)