Главная > Подшипники> Шариковые> Радиальные>GY1012-KRR-B-AS2/V

GY1012-KRR-B-AS2/V — Подшипник для корпуса, импортное производство по ISO стандарту, размер 19x47x31 номер основного исполнения .
Производитель: INA.
KRR = Манжетные уплотнения на обеих сторонах (тип R - имеет цинковую внутреннюю и внешнюю крышку. Между крышками на поверхности основания находится губка уплотнения NBR). B = подшипник со сферическим наружным кольцом.
Цена по запросу
Цена на подшипник зависит от:
Габаритные размеры
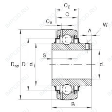
Размеры и геометрические характеристики
Нагрузка и ресурс
Защита
Конструкция и исполнение
Прочие характеристики
Радиальный шарикоподшипник CES204-12 (SNR)
Радиальный шарикоподшипник E2.YAR204-012-2F (SKF)
Подшипник для корпуса ER204-12 (FYH, KOYO)
Подшипник для корпуса GRA012-NPP-B-AS2/V (INA)
Радиальный шарикоподшипник UC204-12L2 (KOYO)
Подшипник для корпуса UC204-12 (FAG, FYH, KOYO, SNR)