Главная > Подшипники> Шариковые> Радиальные>GY1011KRRB

GY1011KRRB — Радиальный шарикоподшипник, импортное производство по ISO стандарту, размер 17x40x27 номер основного исполнения .
Производитель: TIMKEN.
KRR = Манжетные уплотнения на обеих сторонах (тип R - имеет цинковую внутреннюю и внешнюю крышку. Между крышками на поверхности основания находится губка уплотнения NBR). B = подшипник со сферическим наружным кольцом.
Цена по запросу
Цена на подшипник зависит от:
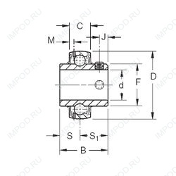
Габаритные размеры
Размеры и геометрические характеристики
Нагрузка и ресурс
Защита
Присоединительные размеры
Конструкция и исполнение
Другие размеры
Подшипник шариковый радиальный 480203К
Подшипник шариковый радиальный 480203
Радиальный шарикоподшипник 1011KL (TIMKEN)
Радиальный шарикоподшипник 1011KRR (TIMKEN)
Радиальный шарикоподшипник 1011KLLB (TIMKEN)
Радиальный шарикоподшипник 1011KRRB (TIMKEN)