Главная > Подшипники> Шариковые> Радиальные>GY1010KRRB

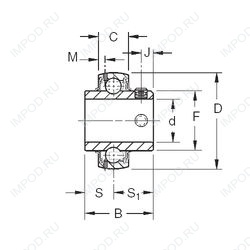
GY1010KRRB — Подшипник для корпуса, импортное производство по ISO стандарту, размер 15x40x27 номер основного исполнения .
Производитель: TIMKEN.
KRR = Манжетные уплотнения на обеих сторонах (тип R - имеет цинковую внутреннюю и внешнюю крышку. Между крышками на поверхности основания находится губка уплотнения NBR). B = подшипник со сферическим наружным кольцом.
Цена по запросу
Цена на подшипник зависит от:
Габаритные размеры
Размеры и геометрические характеристики
Нагрузка и ресурс
Защита
Присоединительные размеры
Конструкция и исполнение
Другие размеры
Подшипник для корпуса 1010KRR (TIMKEN)
Радиальный шарикоподшипник 1010KLL (TIMKEN)
Радиальный шарикоподшипник 1010KRRB (TIMKEN)
Радиальный шарикоподшипник 1010KLLB (TIMKEN)
Радиальный шарикоподшипник 1010KL (TIMKEN)
Радиальный шарикоподшипник 1010KR (TIMKEN)