Главная > Подшипники> Шариковые> Радиальные>GY1009KRRB

GY1009KRRB — Радиальный шарикоподшипник, импортное производство по ISO стандарту, размер 14x40x27 номер основного исполнения .
Производитель: TIMKEN.
KRR = Манжетные уплотнения на обеих сторонах (тип R - имеет цинковую внутреннюю и внешнюю крышку. Между крышками на поверхности основания находится губка уплотнения NBR). B = подшипник со сферическим наружным кольцом.
Цена по запросу
Цена на подшипник зависит от:
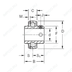
Габаритные размеры
Размеры и геометрические характеристики
Нагрузка и ресурс
Защита
Присоединительные размеры
Конструкция и исполнение
Другие размеры
Радиальный шарикоподшипник 1009KLL (TIMKEN)
Радиальный шарикоподшипник G1009KRRB (TIMKEN)
Радиальный шарикоподшипник G1009KLLB (TIMKEN)
Радиальный шарикоподшипник SM1009K (TIMKEN)
Радиальный шарикоподшипник SM1009KB (TIMKEN)