Главная > Подшипники> Шариковые> Радиальные>GY1008-KRR-B-AS2/V

GY1008-KRR-B-AS2/V — Подшипник шариковый закрепляемый, импортное производство по ISO стандарту, размер 12x40x27 номер основного исполнения .
Производитель: INA.
KRR = Манжетные уплотнения на обеих сторонах (тип R - имеет цинковую внутреннюю и внешнюю крышку. Между крышками на поверхности основания находится губка уплотнения NBR). B = подшипник со сферическим наружным кольцом.
Цена по запросу
Цена на подшипник зависит от:
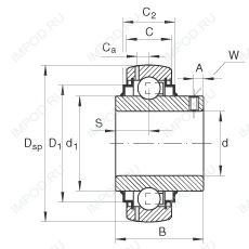
Габаритные размеры
Размеры и геометрические характеристики
Нагрузка и ресурс
Защита
Конструкция и исполнение
Прочие характеристики
Радиальный шарикоподшипник 1008KRRB (TIMKEN)
Радиальный шарикоподшипник 1008KLL (TIMKEN)
Радиальный шарикоподшипник 1008KLLB (TIMKEN)
Подшипник для корпуса 1008KRR (TIMKEN)
Радиальный шарикоподшипник 1008KL (TIMKEN)
Подшипник для корпуса G1008KRRB (TIMKEN)