Главная > Подшипники> Шарнирные скольжения>GW 340

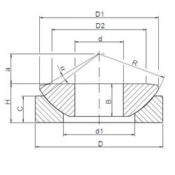
GW 340 — Подшипник скольжения сферический, импортное производство по ISO стандарту, размер 340x540x116 номер основного исполнения GW340.
Производится брендами: CX, ISO.
Цена по запросу
Цена на подшипник зависит от:
Габаритные размеры
Размеры и геометрические характеристики
Нагрузка и ресурс
Защита
Присоединительные размеры
Другие размеры
Подшипник шарнирный GE340-AW (INA, ISO)
Радиальный сферический подшипник скольжения GX340T (LS)