Главная > Подшипники> Шарнирные скольжения>GW 240

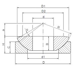
GW 240 — Подшипник скольжения сферический, импортное производство по ISO стандарту, размер 240x400x103 номер основного исполнения GW240.
Производится брендами: CX, ISO.
Цена по запросу
Цена на подшипник зависит от:
Габаритные размеры
Размеры и геометрические характеристики
Нагрузка и ресурс
Защита
Присоединительные размеры
Другие размеры
Подшипник шарнирный GE240-AW (INA, ISO)
Радиальный сферический подшипник скольжения GX240T (LS)