Главная > Подшипники> Шариковые> Радиальные>GRAE35-NPP-B-FA125.5

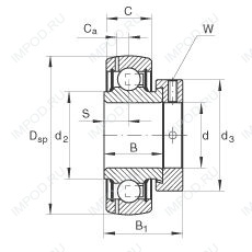
GRAE35-NPP-B-FA125.5 — Подшипник для корпуса, импортное производство по ISO стандарту, размер 35x72x39 номер основного исполнения .
Производитель: INA.
NPP = Манжетные уплотнения с обеих сторон (тип P = две оцинкованные шайбы из листовой стали с промежуточной частью NBR, с манжетным уплотнением с аксиальной предварительной нагрузкой). B = Подшипник со сферическим наружным кольцом.
Цена от:911 р.
Цена на подшипник зависит от:
Габаритные размеры
Размеры и геометрические характеристики
Нагрузка и ресурс
Защита
Конструкция и исполнение
Прочие характеристики