Главная > Подшипники> Шариковые> Радиальные>GRAE12-NPPB

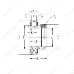
GRAE12-NPPB — Подшипник для корпуса, импортное производство по ISO стандарту, размер 12x40x28 номер основного исполнения .
Производится брендами: INA, NKE.
NPP = Манжетные уплотнения с обеих сторон (тип P = две оцинкованные шайбы из листовой стали с промежуточной частью NBR, с манжетным уплотнением с аксиальной предварительной нагрузкой). B = Подшипник со сферическим наружным кольцом.
Цена от:454 р.
Цена на подшипник зависит от:
Габаритные размеры
Размеры и геометрические характеристики
Нагрузка и ресурс
Защита
Присоединительные размеры
Конструкция и исполнение
Другие размеры
Прочие характеристики
Подшипник для корпуса AELS201N (NTN)
Радиальный шарикоподшипник ES201 (SNR)
Подшипник для корпуса ES201G2 (SNR)
Радиальный шарикоподшипник ES201-08 (SNR)
Подшипник шариковый закрепляемый GRA008-NPP-B-AS2/V (INA)