Главная > Подшипники> Шариковые> Радиальные>GNE50-KRR-B

GNE50-KRR-B — Подшипник для корпуса, импортное производство по ISO стандарту, размер 50x110x66 номер основного исполнения .
Производится брендами: INA, NKE, PFI.
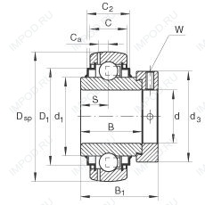
KRR = Манжетные уплотнения на обеих сторонах (тип R - имеет цинковую внутреннюю и внешнюю крышку. Между крышками на поверхности основания находится губка уплотнения NBR). B = подшипник со сферическим наружным кольцом.
Цена от:2 863 р.
Цена на подшипник зависит от:
Габаритные размеры
Размеры и геометрические характеристики
Нагрузка и ресурс
Защита
Присоединительные размеры
Конструкция и исполнение
Другие размеры
Прочие характеристики
Радиальный шарикоподшипник EX310 (SNR)
Подшипник для корпуса EX310G2 (SNR)
Подшипник для корпуса UEL310D1 (NTN)