Главная > Подшипники> Шариковые> Радиальные>GLE70-KRR-B

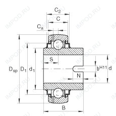
GLE70-KRR-B — Подшипник для корпуса, импортное производство по ISO стандарту, размер 70x125x68 номер основного исполнения .
Производитель: INA.
KRR = Манжетные уплотнения на обеих сторонах (тип R - имеет цинковую внутреннюю и внешнюю крышку. Между крышками на поверхности основания находится губка уплотнения NBR). B = подшипник со сферическим наружным кольцом.
Цена от:4 444 р.
Цена на подшипник зависит от:
Габаритные размеры
Размеры и геометрические характеристики
Нагрузка и ресурс
Защита
Конструкция и исполнение
Прочие характеристики