Главная > Подшипники> Шариковые> Радиальные>GLE40-KRR-B

GLE40-KRR-B — Подшипник для корпуса, импортное производство по ISO стандарту, размер 40x80x42 номер основного исполнения .
Производитель: INA.
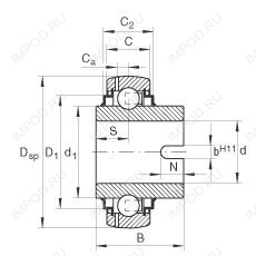
KRR = Манжетные уплотнения на обеих сторонах (тип R - имеет цинковую внутреннюю и внешнюю крышку. Между крышками на поверхности основания находится губка уплотнения NBR). B = подшипник со сферическим наружным кольцом.
Цена от:1 421 р.
Цена на подшипник зависит от:
Габаритные размеры
Размеры и геометрические характеристики
Нагрузка и ресурс
Защита
Конструкция и исполнение
Прочие характеристики
Подшипник шариковый радиальный 480208
Подшипник для корпуса E40-KRR (INA, TIMKEN)
Подшипник для корпуса E40-KRR-B (INA, TIMKEN)
Радиальный шарикоподшипник GE40KRR (TIMKEN)
Подшипник для корпуса GE40KPPB3 (TIMKEN)
Радиальный шарикоподшипник UELS208LD1N (NTN)