Главная > Подшипники> Шариковые> Радиальные>GLE30-KRR-B

GLE30-KRR-B — Подшипник для корпуса, импортное производство по ISO стандарту, размер 30x62x36 номер основного исполнения .
Производитель: INA.
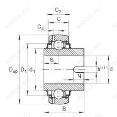
KRR = Манжетные уплотнения на обеих сторонах (тип R - имеет цинковую внутреннюю и внешнюю крышку. Между крышками на поверхности основания находится губка уплотнения NBR). B = подшипник со сферическим наружным кольцом.
Цена от:1 015 р.
Цена на подшипник зависит от:
Габаритные размеры
Размеры и геометрические характеристики
Нагрузка и ресурс
Защита
Конструкция и исполнение
Прочие характеристики
Радиальный шарикоподшипник 1103KLB (TIMKEN)
Радиальный шарикоподшипник 1103KLL (TIMKEN)
Радиальный шарикоподшипник 1103KLLB (TIMKEN)
Подшипник для корпуса 1103KRR (TIMKEN)
Радиальный шарикоподшипник 1103KL (TIMKEN)
Радиальный шарикоподшипник 1103KR (TIMKEN)