Главная > Подшипники> Шарнирные скольжения>GIKR 25 PW

GIKR 25 PW — Сферический шарнирный подшипник, импортное производство по ISO стандарту, размер 25x47x31 номер основного исполнения .
Производитель: INA.
P = Литой сепаратор из стеклонаполненного полиамида 6,6, центрируемый по телам качения.
Цена от:2 875 р.
Цена на подшипник зависит от:
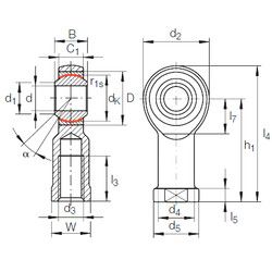
Габаритные размеры
Размеры и геометрические характеристики
Нагрузка и ресурс
Защита
Присоединительные размеры
Другие размеры
Подшипник шариковый упорный двойного направления 54205 (CX, FAG, ISO, KOYO, NACHI)
Сферический шарнирный подшипник GAKFL 25 PW (INA)
Сферический шарнирный подшипник GAKFL 25 PB (INA)
Сферический шарнирный подшипник GAKFR 25 PB (INA)
Сферический шарнирный подшипник GAKL 25 PB (INA)
Сферический шарнирный подшипник GAKL 25 PW (INA)