Главная > Подшипники> Шарнирные скольжения>GIKR 20 PB

GIKR 20 PB — Сферический шарнирный подшипник, импортное производство по ISO стандарту, размер 20x40x25 номер основного исполнения .
Производитель: INA.
P = Литой сепаратор из стеклонаполненного полиамида 6,6, центрируемый по телам качения.
Цена от:1 979 р.
Цена на подшипник зависит от:
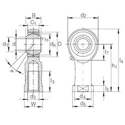
Габаритные размеры
Размеры и геометрические характеристики
Нагрузка и ресурс
Защита
Присоединительные размеры
Другие размеры
Сферический шарнирный подшипник GAKFL 20 PW (INA)
Сферический шарнирный подшипник GAKFR 20 PB (INA)
Сферический шарнирный подшипник GAKFR 20 PW (INA)
Сферический шарнирный подшипник GAKFL 20 PB (INA)
Сферический шарнирный подшипник GAKL 20 PW (INA)
Сферический шарнирный подшипник GAKR 20 PB (INA)