Главная > Подшипники> Шарнирные скольжения>GIKR 14 PB

GIKR 14 PB — Сферический шарнирный подшипник, импортное производство по ISO стандарту, размер 14x28x19 номер основного исполнения .
Производитель: INA.
P = Литой сепаратор из стеклонаполненного полиамида 6,6, центрируемый по телам качения.
Цена от:1 130 р.
Цена на подшипник зависит от:
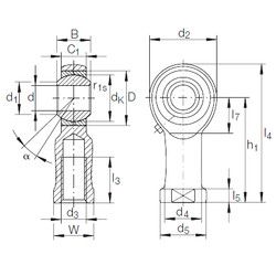
Габаритные размеры
Размеры и геометрические характеристики
Нагрузка и ресурс
Защита
Присоединительные размеры
Другие размеры
Сферический шарнирный подшипник GAKFR 14 PB (INA)
Сферический шарнирный подшипник GAKFR 14 PW (INA)
Сферический шарнирный подшипник GAKFL 14 PW (INA)
Сферический шарнирный подшипник GAKFL 14 PB (INA)
Сферический шарнирный подшипник GAKL 14 PB (INA)
Сферический шарнирный подшипник GAKR 14 PW (INA)